一、产品概述
标准亥姆霍兹线圈,是磁控科技自研的磁性能检测经典标配设备。产品可便捷搭配同品牌其他系列积分式磁通计,组成快捷、精准、低成本的磁性能检测系统,核心用于各类牌号、规格永磁体的磁场强度、磁通量、磁矩等关键指标检测,也可通电励磁产生均匀磁场,或抵消地球背景磁场干扰。
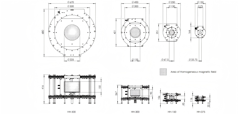
产品采用标准亥姆霍兹结构,由一对同轴、等径、串联的绕组线圈组成,线圈间距与半径数值相等,在线圈中心形成大范围均匀磁场区,可最大限度保障检测精度。产品标准规格覆盖 75mm、150mm、300mm、500mm 线圈直径,支持最大直径 3 米的超大尺寸线圈定制,标配通用安装台,可按需定制专属样品架。产品完全符合 IEC 60404-14 国际磁性材料检测标准,检测结果具备行业权威性与通用性,广泛适用于科研实验室磁性能分析、永磁体生产全流程质量管控等场景。
二、产品特点
检测精准稳定,误差可控:适配待测样品的对应规格线圈,可将检测精度控制在 1% 以内,测量结果稳定、重复性好;每台线圈均附带专属序列号及校准证书,配套磁通计支持线圈内阻自动校正,可有效消除增益误差,进一步提升检测精度;
操作简便,适配批量检测:整套设备上手门槛低,无需复杂调试,能有效降低永磁体检测的设备投入与人工成本,完美适配产线批量质检作业;
合规权威,通用性强:严格遵循 IEC 60404-14 国际磁性材料检测标准设计生产,检测结果可直接用于国内外供需双方的产品比对与验收,具备行业公认的权威性;
无损检测,全流程适配:检测过程不会对磁体样品造成任何损伤,也不会改变磁体原有磁性能,可覆盖永磁体成品、半成品的全流程质检环节;
功能多元,定制灵活:兼具磁性能检测与通电励磁两大核心功能,既可完成磁通量、磁矩、磁场强度等多指标检测,也可产生标准均匀磁场;标准规格覆盖全面,同时支持超大尺寸线圈、专属样品架的定制化服务,可适配弧形磁钢等特殊样品的检测需求。
三、技术参数
| 参数类别 | 核心技术指标 |
|---|---|
| 核心结构参数 |
1. 线圈组成:一对完全相同的同轴绕组线圈,串联连接,线圈间距与线圈半径数值相等
|
| 核心性能指标 |
1. 检测精度:适配对应规格线圈时,检测精度≤1%
|
| 配套与合规参数 |
1. 适配设备:磁控科技 其他系列积分式磁通计(含 IFM06 型号)
|
四、图片展示






Copyright © 2025-2029 磁控智能 版权所有 备案号:京ICP备2026004706号-3